Анкас ООО "АНКАС" https://ankas.ru//images/ankas/logo.png market@ankas.ru +7 (351) 751-40-35 Youtube Вконтакте
8-800-550-44-56
  1. Главная
  2. Осевые вентиляторы
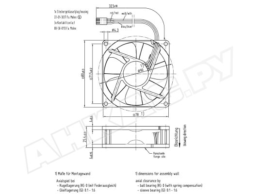
  3. Вентилятор осевой промышленный Ebmpapst 8412 N/2 GME

Вентилятор осевой промышленный Ebmpapst 8412 N/2 GME

Запросить КП
код на сайте: 12578
артикул: 9292506269
Ebmpapst
Цена: Нет цены
Уточнить цену
Краткие характеристики
  • осевой
  • компактный
  • на выдув
  • 12 В
  • 2600 об/мин
Вес и габариты
  • 0.095 кг
  • 8x2.5x8 см