Анкас ООО "АНКАС" https://ankas.ru//images/ankas/logo.png market@ankas.ru +7 (351) 751-40-35 Youtube Вконтакте
8-800-550-44-56
  1. Главная
  2. Осевые вентиляторы
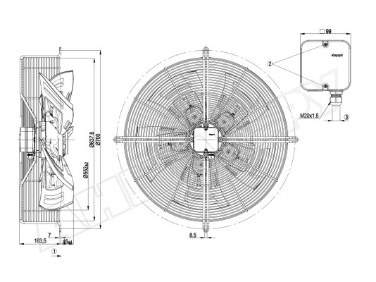
  3. Вентилятор осевой промышленный Ebmpapst S6D560AJ0301

Вентилятор осевой промышленный Ebmpapst S6D560AJ0301

код на сайте: 10858
артикул: S6D560AJ0301
Ebmpapst
Цена: Нет цены
Уточнить цену
Краткие характеристики
  • Тип вентилятора: осевой
  • Исполнение вентилятора: с решеткой
  • Направление воздушного потока: на вдув
  • Напряжение: 400 В
  • Скорость вращения: 870 об/мин
  • Электрическая мощность: 450 Вт
Вес и габариты
  • 13 кг
  • 70x20.9x70 см